AmetekHaydonKerk AmetekAMS
Skip to content

3D-gedruckte Prototyp-Mutter 3DP

Kerk 3DP Series 3D Printed Nut
Sehen Sie sich dieses schnelle 1-2-3-Schrittvideo an, in dem die Verwendung der Kerk® 3DP-Mutter mit Ihrem 3D-gedruckten Prototyp beschrieben wird.

Die 3DP-Mutter von Kerk® ist für schnellen Prototypenbau mit additiver Herstellung ausgelegt. Eine der Herausforderungen bei den aktuellen Werkstoffangeboten beim 3D-Druck ist das Fehlen von verschleißarmen und reibungsarmen Werkstoffen. Für die Prototypfertigung einer mit Gewindespindel angetriebenen Baugruppe ist es wichtig, die korrekte tribologische Performance der Gewindespindel-Mutterlösung zu simulieren, um zu verstehen, wie die Bewegungsachse funktioniert. Durch die Integration von Verdrehsicherung und Axialfixierung in unsere hocheffiziente Gewindeform ermöglicht die 3DP-Mutter die einfache Integration eines hochwertigen Gewindesystems in einen 3D-gedruckten Prototyp. Dies gibt Ingenieuren und Entwicklern einen Vorsprung gegenüber der Konkurrenz, da sie in der Lage sind, mehrere Konfigurationen schnell zu testen, während sie Additives Manufacturing und Hochleistungsmaterial für Gewindespindel-Muttern verwenden.  Das Ergebnis ist ein verkürzter Designzyklus und eine schnellere Produkteinführung in den Markt, wodurch Sie mehr Marktanteile mit Ihrer neuesten und besten Lösung gewinnen können.

  • Maßzeichnungen +


    Bitte beachten Sie: Metriknummern dienen nur als Referenz.


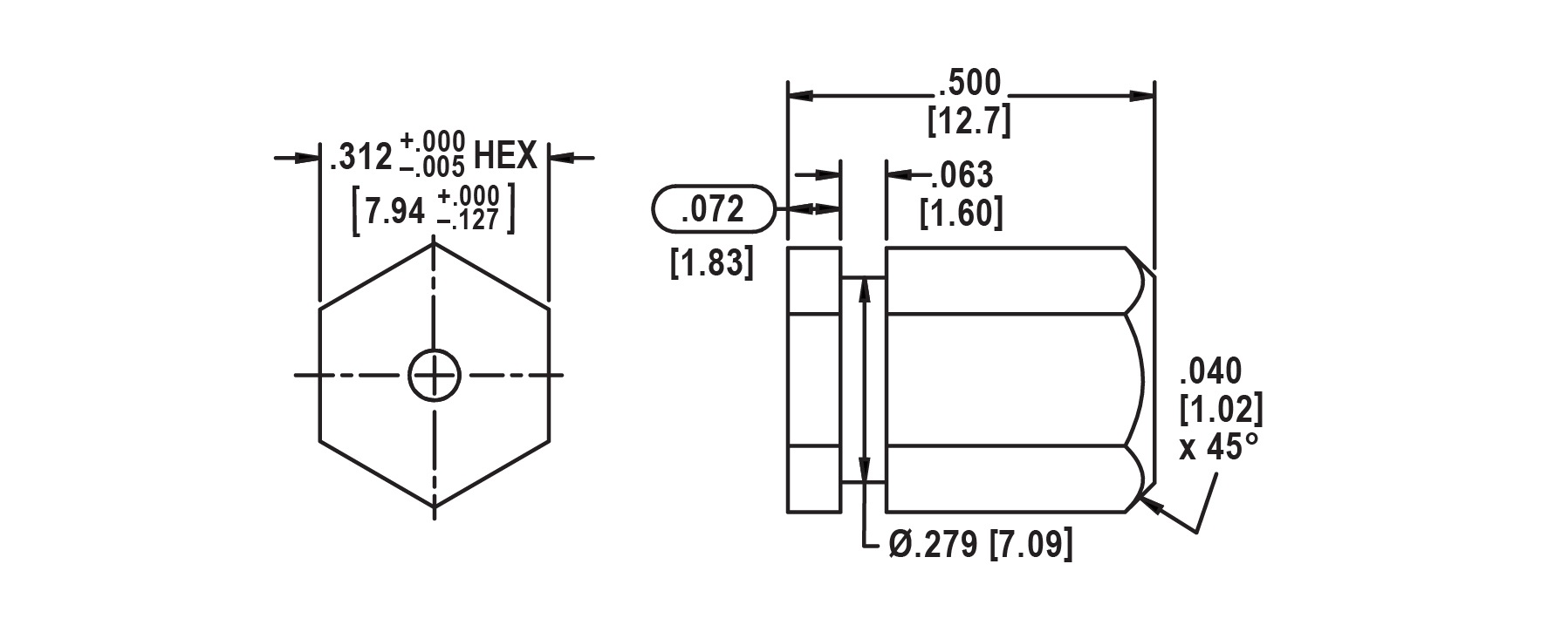
    SERIEN 012 bis 021: SECHSKANTMUTTER-EINSATZ 3DP




    SERIE 025: SECHSKANTMUTTER-EINSATZ 3DP




     

    SERIE 037
    : SECHSKANTMUTTER-EINSATZ 3DP




  • Durchmesser und Gewindesteigungen +


    1/8" (3.2 mm) Diameter Lead Screw. Diameter Code 012
    Lead Lead Code Left Hand Avail. Outside Diameter (For Reference) Root Diameter (For Reference) Efficiency %*
    in mm in mm in mm
    0.024 0.61 0024 0.129 3.28 0.093 2.36 44
    0.039 1 0039 0.129 3.28 0.094 2.39 57
    0.048 1.22 0048 0.129 3.28 0.093 2.36 61
    0.075 1.91 0075 0.129 3.28 0.093 2.36 70
    0.096 2.44 0096 0.129 3.28 0.093 2.36 75
    0.125 3.18 0125 LH Only 0.125 3.18 0.078 1.98 80
    *Listed efficiency are theoretical values based on Kerkote® TFE coated lead screws.
    Shaded areas have been translated from their designed inch or mm dimension to an equivalent mm or inch dimension.

    0.132" (3.3 mm) Diameter Lead Screw. Diameter Code 013
    Lead Lead Code Left Hand Avail. Outside Diameter (For Reference) Root Diameter (For Reference) Efficiency %*
    in mm In mm in mm
    0.02 0.5 0020 0.132 3.35 0.104 2.64 42
    0.039 1 0039 0.132 3.35 0.08 2.03 61
    0.079 2.00. 0079 0.132 3.35 0.08 2.03 75
    0.157 4 0157 0.132 3.35 0.08 2.03 84
    0.315 8 0315 0.132 3.35 0.08 2.03 87
    *Listed efficiency are theoretical values based on Kerkote® TFE coated lead screws.
    Shaded areas have been translated from their designed inch or mm dimension to an equivalent mm or inch dimension.

    9/64" (3.6 mm) Diameter Lead Screw. Diameter Code 014
    Lead Lead Code Left Hand Avail. Outside Diameter (For Reference) Root Diameter (For Reference) Efficiency %*
    in mm in mm in mm
    0.012 0.3 0012 0.14 3.56 0.123 3.12 26
    0.024 0.61 0024 0.14 3.56 0.105 2.67 43
    0.048 1.22 0048 0.14 3.56 0.081 2.06 62
    0.096 2.44 0096 0.14 3.56 0.081 2.06 75
    0.394 10 0394 0.14 3.56 0.102 2.59 86
    *Listed efficiency are theoretical values based on Kerkote® TFE coated lead screws.
    Shaded areas have been translated from their designed inch or mm dimension to an equivalent mm or inch dimension.

    5/32" (4 mm) Diameter Lead Screw. Diameter Code 016
    Lead Lead Code Left Hand Avail. Outside Diameter (For Reference) Root Diameter (For Reference) Efficiency %*
    in mm
    in mm in mm
    0.033 0.84 0033 0.156 3.96 0.116 2.95 45
    0.05 1.27 0050 LH Only 0.156 3.96 0.096 2.44 59
    0.094 2.39 0094 0.164 4.17 0.128 3.25 67
    0.125 3.18 0125 0.168 4.27 0.13 3.3 74
    0.25 6.35 0250 0.156 3.96 0.13 3.3 83
    0.375 9.53 0375 0.156 3.96 0.13 3.3 85
    0.5 12.7 0500 0.156 3.96 0.13 3.3 86
    *Listed efficiency are theoretical values based on Kerkote® TFE coated lead screws.
    Shaded areas have been translated from their designed inch or mm dimension to an equivalent mm or inch dimension.

    3/16" (5 mm) Diameter Lead Screw. Diameter Code 018
    Lead Lead Code Left Hand Avail. Outside Diameter (For Reference) Root Diameter (For Reference) Efficiency %*
    in mm
    in mm in mm
    0.02 0.5 0020 0.188 4.78 0.163 4.14 30
    0.025 0.64 0025 0.188 4.78 0.15 3.81 39
    0.039 1 0039 0.188 4.78 0.144 3.66 47
    0.05 1.27 0050 0.188 4.78 0.124 3.15 58
    0.1 2.54 0100 0.188 4.78 0.136 3.45 69
    0.1875 4.76 0188 0.188 4.78 0.167 4.24 78
    0.2 5.08 0200 0.188 4.78 0.124 3.15 82
    0.375 9.53 0375 0.188 4.78 0.161 4.09 84
    0.4 10.16 0400 0.188 4.78 0.124 3.15 84
    0.427 10.85 0427 0.188 4.78 0.162 4.11 85
    0.5 12.7 0500 0.188 4.78 0.142 3.61 86
    *Listed efficiency are theoretical values based on Kerkote® TFE coated lead screws.
    Shaded areas have been translated from their designed inch or mm dimension to an equivalent mm or inch dimension.

    7/32" (5.6 mm) Diameter Lead Screw. Diameter Code 021
    Lead Lead Code Left Hand Avail. Outside Diameter (For Reference) Root Diameter (For Reference) Efficiency %*
    in mm
    in mm in mm
    0.024 0.61 0024 0.218 5.54 0.181 4.6 31
    0.03125 0.79 0031 0.204 5.18 0.16 4.06 39
    0.048 1.22 0048 0.216 5.49 0.156 3.96 50
    0.05 1.27 0050 0.2 5.08 0.135 3.43 52
    0.0625 1.59 0063 0.218 5.54 0.142 3.61 60
    0.096 2.44 0096 0.218 5.54 0.156 3.96 66
    0.192 4.88 0192 0.218 5.54 0.156 3.96 78
    0.25 6.35 0250 0.204 5.18 0.14 3.56 81
    0.384 9.75 0384 0.218 5.54 0.159 4.04 86
    *Listed efficiency are theoretical values based on Kerkote® TFE coated lead screws.
    Shaded areas have been translated from their designed inch or mm dimension to an equivalent mm or inch dimension.

    1/4" (6 mm) Diameter Lead Screw. Diameter Code 025
    Lead Lead Code Left Hand Avail. Outside Diameter (For Reference) Root Diameter (For Reference) Efficiency %*
    in mm
    in mm in mm
    0.024 0.61 0024 0.25 6.35 0.218 5.54 28
    0.025 0.64 0025 0.25 6.35 0.214 5.44 30
    0.03125 0.79 0031 0.25 6.35 0.208 5.28 34
    0.039 1 0039 0.25 6.35 0.19 4.83 40
    0.048 1.22 0048 0.25 6.35 0.19 4.83 45
    0.05 1.27 0050 0.25 6.35 0.191 4.85 46
    0.059 1.5 0059 0.25 6.35 0.172 4.37 52
    0.0625 1.59 0063 0.25 6.35 0.17 4.32 52
    0.079 2 0079 0.25 6.35 0.17 4.32 59
    0.096 2.44 0096 0.25 6.35 0.19 4.83 61
    0.1 2.54 0100 0.25 6.35 0.19 4.83 62
    0.118 3 0118 0.25 6.35 0.175 4.45 68
    0.125 3.18 0125 0.25 6.35 0.19 4.83 67
    0.197 5 0197 0.25 6.35 0.172 4.37 72
    0.2 5.08 0200 0.25 6.35 0.17 4.32 65
    0.25 6.35 0250 0.25 6.35 0.168 4.27 79
    0.3125 7.94 0313 0.25 6.35 0.184 4.67 81
    0.333 8.46 0333 0.25 6.35 0.17 4.32 82
    0.394 10 0394 0.25 6.35 0.17 4.32 78
    0.4 10.16 0400 0.25 6.35 0.17 4.32 84
    0.5 12.7 0500 0.25 6.35 0.169 4.29 85
    0.75 19.05 0750 0.25 6.35 0.17 4.32 86
    1 25.4 1000 0.25 6.35 0.17 4.32 84
    *Listed efficiency are theoretical values based on Kerkote® TFE coated lead screws.
    Shaded areas have been translated from their designed inch or mm dimension to an equivalent mm or inch dimension.

    3/8" (10 mm) Diameter Lead Screw. Diameter Code 037
    Lead Lead Code Left Hand Avail. Outside Diameter (For Reference) Root Diameter (For Reference) Efficiency %*
    in mm
    in mm in mm
    0.025 0.64 0025 0.375 9.53 0.337 8.56 21
    0.039 1 0039 0.394 10.01 0.35 8.89 28
    0.04167 1.06 0042 0.375 9.53 0.32 8.13 34
    0.05 1.27 0050 0.375 9.53 0.301 7.65 36
    0.055 1.4 0055 0.375 9.53 0.303 7.7 38
    0.059 1.5 0059 0.389 9.88 0.313 7.95 38
    0.0625 1.59 0063 0.375 9.53 0.295 7.49 41
    0.068 1.73 0068 0.388 9.86 0.295 7.49 42
    0.079 2 0079 0.375 9.53 0.264 6.71 47
    0.0833 2.12 0083 0.375 9.53 0.293 7.44 48
    0.1 2.54 0100 0.375 9.53 0.266 6.76 53
    0.125 3.18 0125 0.375 9.53 0.295 7.49 59
    0.157 4 0157 0.375 9.53 0.274 6.96 65
    0.1667 4.23 0167 0.371 9.42 0.261 6.63 61
    0.197 5 0197 0.375 9.53 0.266 6.76 69
    0.2 5.08 0200 0.375 9.53 0.266 6.76 69
    0.25 6.35 0250 0.375 9.53 0.268 6.81 70
    0.3 7.62 0300 0.375 9.53 0.255 6.48 76
    0.333 8.46 0333 0.375 9.53 0.245 6.22 78
    0.363 9.22 0363 0.375 9.53 0.26 6.6 79
    0.375 9.53 0375 0.375 9.53 0.265 6.73 79
    0.394 10 0394 0.375 9.53 0.26 6.6 79
    0.4 10.16 0400 0.375 9.53 0.293 7.44 79
    0.472 12 0472 0.388 9.86 0.287 7.29 82
    0.5 12.7 0500 0.388 9.86 0.265 6.73 81
    0.667 16.94 0667 0.375 9.53 0.273 6.93 83
    0.75 19.05 0750 0.388 9.86 0.273 6.93 84
    0.984 25 0984 0.375 9.53 0.262 6.65 84
    1 25.4 1000 0.383 9.73 0.254 6.45 84
    1.2 30.48 1200 0.383 9.73 0.254 6.45 84
    1.25 31.75 1250 0.375 9.53 0.278 7.06 84
    1.5 38.1 1500 0.375 9.53 0.264 6.71 83
    *Listed efficiency are theoretical values based on Kerkote® TFE coated lead screws.
    Shaded areas have been translated from their designed inch or mm dimension to an equivalent mm or inch dimension.

  • Schmiermitteloptionen +


    Haydon Kerk Motion Solutions™ bietet mehrere Optionen für die Schmierung. Alle Gewindespindel-Muttern von Kerk® bestehen aus selbstschmierenden Polymeren. Wenn maximale Leistung erforderlich ist, bieten TFE-Beschichtungen Kerkote® und Black Ice™ in den anspruchsvollsten Anwendungen unübertroffene Ergebnisse. 

    TFE-Beschichtung Kerkote® 

    Kerkote TFE ist eine weiche Beschichtung, ein Langzeit-Trockenschmiermittel, das für weichere Kunststoffe wie Acetal und Nylon mit oder ohne mechanische Verstärkung optimiert ist. Die Schmierung der Mutter-/Gewindespindel-Grenzfläche erfolgt durch die Mutter, die Kerkote TFE-Partikel von der Beschichtung aufnimmt, sowie durch das Wandern des inneren Schmiermittels in der Kunststoffmutter. Das Schmiermittel, obwohl es fest ist, hat auch eine gewisse „Ausbreitungsfähigkeit“ wie bei flüssigen Schmiermitteln. Kerkote TFE-beschichtete Spindeln bieten ein Höchstmaß an Selbstschmierung und sollten nicht zusätzlich geschmiert oder in Umgebungen eingesetzt werden, in denen Öl oder andere Schmiermittelverschmutzungen möglich sind. 

    TFE-Beschichtung Black Ice™ 


    Die TFE-Beschichtung Black Ice hat viele der Vorteile von Kerkote TFE, ist aber im Gegensatz dazu eine harte Beschichtung, die eine außergewöhnliche Haltbarkeit in allen Umgebungen mit praktisch jeder Art von Polymer-Gewindespindel-Mutter bietet. Anstatt als Trockenschmiermittel zu wirken, ist Black Ice TFE eine Gleitbeschichtung, deren Oberflächeneigenschaften das Metall verdrängen, auf das sie aufgetragen ist. Obwohl es nicht für die Verwendung mit metall- oder glasfaserverstärkten Muttern vorgesehen ist, ist Black Ice TFE fest mit der Oberfläche der Gewindespindel verbunden und kann Abrieb durch Verschmutzung, starre Polymersysteme, Fluidaufprall und Anwendungen mit Waschvorgängen standhalten. 

    Verfügbare Schmiermittel 

    TFE-Beschichtungen sollen ohne zusätzliche Schmiermittel verwendet werden. Es gibt bestimmte Applikationen, bei denen eine externe Schmierung erwünscht sein kann. Dazu gehören die Verwendung von Muttermaterialien wie glasfaserverstärktem Kunststoff oder Metall. Haydon Kerk Motion Solutions bietet eine Auswahl an Schmierfetten, die speziell für diese Applikationen entwickelt wurden. Bitte wenden Sie sich an einen Vertriebsingenieur, um Unterstützung bei der Auswahl des besten Schmiermittels für Ihre Anforderungen zu erhalten.


  • Teilenummer-Anleitung +




    BEISPIELE

    3DPHNR-025-0100-BZ00 = Baugruppe mit: 3DP-Mutter, die nur zu einer Spindel mit 0,250 Zoll Durchmesser und 0,100 Zoll Gewindesteigung passt.

    3DPHSR-037-0500-KY12 = Baugruppe mit: 3DP Kerkite® KN30-Mutter mit Gewindespindel mit 0,375-Zoll Durchmesser, Gewindesteigung 0,500 Zoll und 12 Zoll Länge.

    3DPHKR-018-0025-BY06 = Baugruppe mit: 3DP-Mutter mit Gewindespindel mit 0,125 Zoll Durchmesser, Gewindesteigung 0,025 Zoll, 6 Zoll Länge.

    Wenn Sie Hilfe bei der Anwendung oder bei der Auftragserfassung benötigen, wenden Sie sich bitte an die technischen Berater von Haydon Kerk Motion Solutions im Bereich Leadscrew Assemblies (Gewindespindelanordnungen) unter der Telefonnummer 603.213.6290

    HINWEIS:

    Nicht alle Gewindesteigungen sind für alle Spindeldurchmesser verfügbar.
    Neue Muttern und Gewindesteigungen werden ständig ergänzt. Wenden Sie sich bitte an Haydon Kerk Motion Solutions hinsichtlich der neuesten verfügbaren Optionen.


  • Mechanische Eigenschaften +


    Spindelträgheit
    Spindelgröße Spindelträgheit
    Zoll mm (Unze-Zoll sec²/Zoll)
    1/8 3,2  1,8 x 10 -7 
    0,132 3,3  2.3 x 10 –7 
    9/64 3,6  3.4 x 10 –7
    5/32 4 4.9 x 10–7
    3/16 5 1.1 x 10–6
    7/32 5,6 1.8 x 10–6
    1/4 6 3 x 10 -5
    3/8 10 1,5 x 10 –5

    Mechanische Eigenschaften
    Gewindespindel Material Oberflächenbeschaffenheit
    303er Edelstahl
    (verfügbare Optionen)
    Besser als 10,4 ?m
    Muttern Material Zugfestigkeit Ausdehnungskoeffizient
    Polyacetal mit
    Schmiermittelzusatz
    669 Bar 6,0 x 10 –5 Zoll/in/oF
     Kerkite® KN30
    Hochleistungspolymer
    1724 Bar   1,1 x 10–5 Zoll/in/oF
    Baugruppe
    Standard-Betriebs-
    Temperaturbereich
    Reibungskoeffizient
    Polyacetal-Mutter für Spindel
    32 - 200o F*
    0- 93o C*
    Statisch = 0,08 0,08 **
    Dynamisch = 0,15 0,09 **
    *Sehr hohe oder niedrige Temperaturen können zu erheblichen Veränderungen des Sitzes der Mutter oder der Schleppmomente führen. Bitte wenden Sie sich an Haydon Kerk Motion Solutions™ für optionale Werkstoffe für den jeweiligen Temperaturbereich.
    **mit TFE-Beschichtung Kerkote®

  • Konstruktive Daten +


    Spindelgenauigkeit
    Haydon Kerk Motion Solutions, Inc. verwendet ein einzigartiges Präzisionswalzverfahren für die Spindelherstellung. Die standardmäßige Genauigkeit der Gewindesteigungen für Spindeln von Kerk beträgt 0,01524 mm/mm. (mm/mm). Die Genauigkeit von Gewindesteigungen ist bis zu 0,00254 mm/mm verfügbar. (mm/mm). Bitte wenden Sie sich an das Werk für weitere Genauigkeiten von Gewindesteigungen. Baugruppen haben eine extrem hohe bidirektionale Wiederholgenauigkeit von 1,25 Mikrometer.
     
    Endenbearbeitung
    Haydon Kerk Motion Solutions kann kundenspezifische Spindeln nach Ihren Vorgaben fertigen oder auf Länge zugeschnittene Spindeln für Ihre eigene Bearbeitung liefern.  

    Kritische Drehzahl
    Dies ist die Drehzahl, bei der Vibrationen oder andere dynamische Probleme an der Spindel auftreten können. Siehe DIAGRAMM DER KRITISCHEN GESCHWINDIGKEITEN , um festzustellen, ob die Applikationsparameter zu einer kritischen Geschwindigkeit führen. Um kritische Geschwindigkeitsprobleme zu minimieren: Verwenden Sie eine größere Gewindesteigung, wählen Sie einen größeren Durchmesser oder verstärken Sie die Lagerunterstützung.

    Haydon Kerk Lead Screw Critical Speeds Chart

    Längen
    Längen können bis zu 4 m ab Lager angegeben werden (abhängig von Durchmesser und Steigung). Auf Länge geschnittene Spindeln werden in 6-Zoll-Schritten angeboten (6-in, 12, 18, ....) +1,0 Zoll/-0 Zoll

    Gewindesteigung
    Vorschub pro Umdrehung. Alle Spindeln sind nach Steigung und nicht nach Teilung aufgelistet. Steigung = Teilung x Anzahl der Gänge

    Teilung
    Abstand zwischen zwei Gewindespitzen oder Eins geteilt durch Gewindegänge pro Zoll. (Bei einem mehrgängigen Gewinde entspricht die Teilung der Steigung geteilt durch die Anzahl der Gänge.)

    Vorschubgeschwindigkeit
    Die von uns verwendeten Mutterwerkstoffe bieten eine lange Lebensdauer unter einer Vielzahl von Bedingungen. Sehr hohe Lasten und/oder Drehzahlen beschleunigen jedoch den Verschleiß der Mutter. Für diese Situationen können spezielle Werkstoffe erforderlich sein. Für eine optimale Lebensdauer bieten wir die folgenden Richtlinien für den Dauerbetrieb mit linearen Verfahrgeschwindigkeiten an:
    Gewindesteigung Vorschubgeschwindigkeit Gewindesteigung Vorschubgeschwindigkeit
    1/10 - 1/2-in 4-in/sec. 1 - 12 mm 100 mm/s
    1/2 - 1-in 10-in/sec. 12 - 25 mm 250 mm/s
    1 - 2 1/2-in 30-in/sec. 25 - 60 mm 760 mm/s

    Maximale Last
    Obwohl die spielfreien Baugruppen von Kerk® in der Lage sind, relativ hohen Lasten ohne Totalausfall standzuhalten, wurden diese Einheiten so konstruiert, dass sie unter den in den Größendiagrammen gezeigten Belastungen arbeiten.

    Wirkungsgrad
    Der Wirkungsgrad ist das Verhältnis von Arbeitsaufwand zu Arbeitsleistung. Er sollte nicht mit Last-Kraft-Verhältnis verwechselt werden. Die angegebenen Wirkungsgrade sind theoretische Werte basierend Kerkote®-TFE-beschichteten Spindeln.

    Drehmoment
    Das erforderliche Motormoment zum Antreiben einer Spindeleinheit ist die Summe von drei Komponenten: Trägheitsmoment, Schleppmoment und Lastmoment. Es ist anzumerken, dass
    dies das Drehmoment ist, das zum alleinigen Antrieb der Gewindespindel erforderlich ist. Zusätzliches Drehmoment, das mit dem Antrieb von Gleitlagern und Motorwellen, beweglichen Bauteilen und Zugkräften aufgrund der allgemeinen Montagefehlausrichtung verbunden ist, muss ebenfalls in Betracht gezogen werden.

    Trägheitsmoment:

    T = I ?  Wobei I = Spindelträgheitsmoment
     j                   α  Winkelbeschleunigung

    Schleppmoment:
    Die spielfreien Baugruppen von Kerk werden typischerweise mit einem Schleppmoment von 0,007 bis 0,05 Nm geliefert. Die Höhe des Schleppmoments ist abhängig von den werksseitigen Standardeinstellungen oder den vom Kunden vorgegebenen Einstellungen. Im Allgemeinen gilt: Je höher die voreingestellte Kraft, desto besser die Spielausgleichs-Eigenschaften.

    Lastmoment:

    T=        LAST x STEIGUNG
      L    2 πWIRKUNGSGRAD

    Zurückdrehen:
    Das Zurückdrehen wird manchmal als Umkehrbarkeit bezeichnet und ist die Fähigkeit einer Spindel, durch eine auf die Mutter ausgeübte Axiallast gedreht zu werden. Im Allgemeinen tritt kein Zurückdrehen auf, wenn die Gewindesteigung weniger als 1/3 des Durchmessers für unbeschichtete Spindeln oder 1/4 des Durchmessers für Kerkote® TFE-beschichtete Spindeln beträgt. Für größere Gewindesteigungen, bei denen ein Zurückdrehen wahrscheinlich ist, ist das zum Halten einer Last erforderliche Drehmoment:

    T =         LAST x STEIGUNG x WIRKUNGSGRAD DES ZURÜCKDREHENS     
     b                                   2π

    Spindelgeradheit:
    Die Spindelgeradheit wird als Total Indicator Runout (TIR = Gesamtindikator der Unrundheit) gemessen. Die Standardgeradheit für Gewindespindeln ist 0,076 mm pro 30,5 cm. Haydon Kerk Motion Solutions kann auch strengere technische Vorgaben der Kunden erfüllen.  

    Alle Spindeln werden vor dem Versand manuell gerichtet.


    Bitte beachten Sie: Metriknummern dienen nur als Referenz.
  • Kundenspezifische Anpassung +


    Neben den Standard-Muttertypen von Kerk® machen modifizierte und komplett kundenspezifische Konfigurationen einen großen Teil der Produktion des Unternehmens aus. Modifikationen können einfache Änderungen sein, wie z.B. unterschiedliche Montagelochmuster oder Aufnahmegewinde, kleine Abmessungsänderungen oder spezielle Werkstoffe. Haydon Kerk Motion Solutions kann durch die Herstellung einer multifunktionalen Acme-Mutter einen enormen Mehrwert bieten. Unter Verwendung von kundenspezifischen Formen und spezieller Bearbeitung können Muttern auch Führungsbuchsen, Schlitten, Zahnriemenscheiben, Zahnräder, Spritzenkomponenten, Sensorhalterungen und -kennzeichen, Drehgebervorrichtungen, Klemmen und viele andere komplementäre Elemente enthalten. Darüber hinaus können kundenspezifische Muttern, Schnellkupplungshalterungen, teilweise Einschraubtiefe, Halbmutterkonstruktion oder spezielle Formen und Geometrien bieten. Spezielle Materialien werden angeboten, um die Leistung unserer Baugruppen zu erweitern. Materialien können für extreme Temperaturen, chemische Verträglichkeit, Autoklavieren, behördliche Zulassungen, spezielle Belastungen und viele andere spezifische Anforderungen gewählt werden.

  • Typische Endenbearbeitungsfunktionen +


    Standard End Machine