AmetekHaydonKerk AmetekAMS
Skip to content

Serie 6600

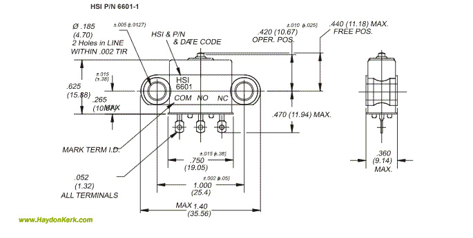
Haydon_6600_Series_Hermetically_Sealed_Switch

Der Schalter der Serie 6600 wurde für raue Umgebungen entwickelt, in denen die hermetische Dichtigkeit des Schalters mit langer Lebensdauer entscheidend ist. Die minimale Lebensdauer der hermetischen Dichtung des Schalters von 130.000 Schaltzyklen entspricht der Zuverlässigkeitsdauer von Flugzeugen für viele Applikationen.

Die robuste Ausführung und Konstruktion beinhaltet einen Metallbalg, um die Haltbarkeit des Betätigungsmechanismus zu gewährleisten. Das Schaltergehäuse wird mit inertem Stickstoff gefüllt und verschlossen. Die hermetische Abdichtung wird gemäß Kategorie 5 von MIL-PRF-8805, d.h. 1,01x10-8 mbar I/s, aufrechterhalten. Das korrosionsbeständige Gehäuse widersteht den meisten Medien und erlaubt, dass der Schalter Flüssigkeiten wie synthetischen Hydraulikölen und Düsentreibstoffen ausgesetzt wird.

Der Schalter wurde für den Betrieb unter 5 mA bei 28 VDC und Temperaturen bis zu 204 °C ausgelegt. Durch den Wechsel des Kontaktmaterials kann der Schalter für einen Betrieb mit 5 Ampere ausgelegt werden.

Verfügbare Baugruppen
Die Schalter der Serie 6600 sind in einer Vielzahl von Aktuatorbaugruppen verfügbar. Typische Baugruppen enthalten Lamellenaktuatoren, Schalterbaugruppen mit Rollenlamelle und Plunger-Aktuatoren. Haydon Kerk Motion Solutions kann auch kundenspezifische Baugruppen liefern, um bestimmte betriebliche Anforderungen zu erfüllen.
  • Technische Daten +


    Mechanische Eigenschaften - Hermetisch gekapselter Schalter der Serie 6600

    Maximale Betätigungskraft

    6,12 N

    Mindestauslösekraft

    0,835 N

    Bewegungsdifferenz

    0,13 mm

    Gewicht

    14,2 g

    Nachlaufstopp

    0,15 mm verfügbar


    Elektrische Eigenschaften - Hermetisch gekapselter Schalter der Serie 6600

    Elektrische Daten

    28 VDC/115 VAC, 400 Hz

    Ohmsche

    5 Milliampere

    Spannungsfestigkeit

    1000 V eff auf Meereshöhe für 1 Minute oder 1250 V eff für 1 Sekunde mit maximalem Leckstrom von 0,5 Milliampere. Kann geliefert werden, um 1500 V Effektivspannung mit reduzierter Lebensdauer zu widerstehen.

    Kontaktanordnung

    SPDT

    Kontaktabstand

    0,381 mm minimal


    Umwelteigenschaften - Hermetisch gekapselter Schalter der Serie 6600

    Temperaturbereich

    -54 °C bis 204 °C dauerhaft

    Stoß

    100 g für 6 ± 1 ms

    Vibration

    10 - 2000 Hz 20 g Spitze

  • Maßzeichnungen +

    Haydon Hermetically Sealed Switch 6600 Series