AmetekHaydonKerk AmetekAMS
Skip to content

Serie 7100

Haydon 7100 Series High Load Sealed Switch
Einpolige Basisschalter der Serie 7100 verfügen über eine hohe elektrische Belastbarkeit, extreme Robustheit, genaue Wiederholgenauigkeit und sensitive Betriebseigenschaften. Sie arbeiten zufriedenstellend mit unter 40 g Vibration.
  • Technische Daten +


    Mechanische Eigenschaften - Gekapselter Lastschalter der Serie 7100

    Maximale Betätigungskraft

    8,9 N

    Mindestauslösekraft

    1,68 N

    Bewegungsdifferenz

    0,03/0,15 mm

    Nachlaufstopp

    0,13 mm verfügbar


    Elektrische Eigenschaften - Gekapselter Lastschalter der Serie 7100

    Elektrische Daten

    28 VDC/115VAC, 400 Hz (Bei 60 Hz und bei Gleichspannungen über 28 V bitte HSI anrufen)

    Ohmsche

    10 A

    Induktive

    4 A

    Kontaktabstand

    0,51 mm

    Kontaktanordnung

    SPDT


    Umwelteigenschaften - Gekapselter Lastschalter der Serie 7100

    Temperaturbereich

    -54 °C bis 149 °C

    Vibration

    40 g

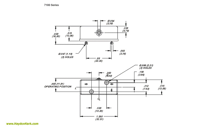
  • Maßzeichnungen +

    Haydon High Electrical Load Switch 7100 Series