Your browser is out of date. The site is optimized for IE 9 (not compatibility mode) and above, Chrome 29, Firefox 23 and Safari 6.0.
Skip to content
Deutsch
Diese Seite in anderen Ländern/Regionen:
Land wählen, um die regionale Seite von HaydonKerkPIttman.com zu sehen
Deutsch
中文
Français
English
日本
anmelden
anmelden
Toggle navigation
PRODUKTE
Kundenspezifische Systemlösungen
Spindel und Mutter Systeme
Auswahl von Gewindespindel und Mutter
3D-gedruckte Prototyp-Mutter 3DP
BFW-Mehrzweck-Spielausgleich
Spielfreie CMP-Mutter in Niedrigtechnologie
Spielausgleich bei mäßigen Lasten bei der KHD-Serie
NTB - In hohem Grade kundenspezifisch und spielfrei
Spielfreie NTG-Mutter mit niedriger Lebensdauer
Spielausgleich bei maximaler VHD-Last
WDG-Mehrzweck-Spielausgleich
ZBA - Einstellbare Friktion mit Spielausgleich
Das Walzen der weltweit kleinsten spielfreien
ZBX Besonders Leichter Lauf
Gewindespindeln nach Größe
5/64" (2mm)
1/8" (3.2mm)
0.132" (3.3mm)
9/64" (3.6mm)
5/32" (4mm)
3/16" (5mm)
7/32" (5.6mm)
1/4" (6mm)
5/16" (8mm)
3/8" (10mm)
7/16" (11mm)
1/2" (13mm)
5/8" (16mm)
3/4" (19mm)
7/8" (22mm)
15/16" (24mm)
Gewindespindel-Konstruktionstechnik
Linearaktuatoren
Hybrid-Schrittmotor
Größe 8 21 mm
Größe 8 21mm Double Stack
Größe 11 28 mm
Größe 11, 28 mm Double-Stack
Größe 14 35 mm
Größe 14, 35 mm Double-Stack
Größe 17 43mm
Größe 17, 43 mm Double-Stack
Size 17 43mm MAX
Size 17 43mm Double Stack MAX
Größe 23 57 mm
Größe 23, 57 mm Double-Stack
Größe 34 87 mm
Wechselstrom-Synchron-
Doppelbewegung
Größe 14, (35000)
Größe 17, (43000)
Can-Stack-Schrittmotoren
15000 15mm
Z20000 20mm
G4 19000 20mm
G4 25000 25mm
Z26000 26mm
G4 37000 37mm
46000 46mm
Wechselstrom-Synchron
Linearschienensysteme
Gleitgeführte Führungsschienensysteme
RGS mit hoher Geschwindigkeit
Motorbetrieben
RGS04
RGS06
RGS08
RGS10
Nicht motorbetrieben
RGS04
RGS06
RGS08
RGS10
Hochgeschwindigkeits-RGW mit Sensorhalterung
Motorbetrieben
RGW06
RGW10
Nicht motorbetrieben
RGW06
RGW10
WGS - Durch Hochgeschwindigkeit verbesserte Momentbelastung
Motorbetrieben
WGS06
Nicht motorbetrieben
WGS06
LRS-Integrierte T-Nut-Montage
Motorbetrieben
LRS04
Nicht motorbetrieben
LRS04
SRA - Universell
SRA 03, 04, 06, 08
SRZ - Spielausgleich
SRZ 03, 04, 06, 08
Führungsschienensysteme mit Kugelführung
Hochbelastbare Kugelführung BGS04
Hochbelastbare Kugelführung BGS06
Hochbelastbare Kugelführung BGS08
Mini Motorized Stages
MiniSlide™
MiniSlide™ mit Größe 8 Hybrid-Motor
MiniSlide™ mit 20mm Can-Stack Motor
Führungselement
SS - Keilwelle
SZ - Spielfreie Keilwelle
GR - Führungsschiene
Multi-Achsen-Systeme
Z-theta
Größe 4 13mm
Motoren
Bürstenbehaftete Gleichstrommotoren
26 mm bürstenbehafteter Gleichstrommotor DC026C
30 mm bürstenbehafteter Gleichstrommotor DC030B
30 mm bürstenbehafteter Gleichstrommotor DC030C
40 mm bürstenbehafteter Gleichstrommotor DC040B
54 mm bürstenbehafteter Gleichstrommotor DC054B
Bürstenlose Gleichstrommotoren
30 mm bürstenloser Gleichstrommotor ES030A
33 mm bürstenloser Gleichstrommotor EC033A
40 mm bürstenloser Gleichstrommotor ES040A
42 mm bürstenloser Gleichstrommotor EC042B
44 mm bürstenloser Gleichstrommotor EC044A
50 mm bürstenloser Gleichstrommotor ES050A
57 mm bürstenloser Gleichstrommotor EC057C
57 mm bürstenloser Gleichstrommotor EC057B
57 mm bürstenloser Gleichstrommotor EC057A
83 mm bürstenloser Gleichstrommotor EC083A
121 mm bürstenloser Gleichstrommotor EC121A
Gleichstrommotoren mit IDEA Drive
42 mm bürstenloser Gleichstrommotor EC042B mit IDEA Drive
42 mm bürstenloser Gleichstrommotor EC042B mit IDEA Drive
Can-Stack-Rotationsschrittmotoren
Z20000 20mm
Z26000 26mm
Wechselstrom-Synchron - Rotations
Steuerungen
Nicht programmierbare Steuerungen mit Schrittmotoren
DCM8027 & DCM8054
Steuerungen mit bürstenlosen Motoren
BGE3004
Getriebe
G35A
G51A
G30A
G40A
PLG42S
PLG52
Encoder
E21 Serie
E30 Serie
Q-V Serie
C-D Serie
Bremsen
B30A Bremse
B49A Bremse
Gekapselte Schalter
Umgebungsfest gekapselte Schalter
Serie 6100
Serie 6700
Hermetisch gekapselte Schalter
Serie 6200
Serie 6300
Serie 6600
LC-Serie
Elektrische Hochlastschalter
Serie 7100
Serie 8100
Kundenspezifische Baugruppen
Klappen-/Lamellenschalter der Serie 40100
Serie 62100, explosionsgeschützt
Verriegelungsschalter
Drucktaster
Rollenlamelle
MÄRKTE
Laborgeräte
Medizinische Geräte
Halbleiter
Büromaschinen
Industrieautomation
Transport
LEARNING ZONE
Application Notes
Fallstudien
Kataloge und Produkthilfe
FAQ
Linear Actuators - Stepper Motors
Lead Screws - Nuts
Brush - Brushless Motors
IDEA-Laufwerkssoftware
Newsletters
Pressemitteilungen
Archiv der Pressemitteilungen
Technische Dokumente
Videos
White Papers
Informationsschriften
SUPPORT
Branchenzertifizierungen
Allgemeinen Geschäftsbedingungen
Informationen zur Garantie
Express Calculators
IDEA-Laufwerkssoftware
WIR ÜBER UNS
AMETEK Advanced Motion Solutions
Unsere Mission
Vorgeschichte
KONTAKTIEREN SIE UNS
Angebot anfordern
Allgemeiner Kontakt
Technischer Support
Standorte der Niederlassungen
MiniSlide™
MiniSlide™ mit Größe 8 Hybrid-Motor
MiniSlide™ mit 20mm Can-Stack Motor
Haydon Kerk Pittman
»
PRODUKTE
»
Linearschienensysteme
»
MiniSlide™
»
MiniSlide™ mit 20mm Can-Stack Motor
»
MiniSlide™ mit 20mm Can-Stack Motor
Klein und leistungsstark
Optimal geeignet für kleinere Laborgeräte und Automatisierungstechnik.
20mm Can-Stack-Motor
Verringerter Konstruktionsaufwand für Ingenieure
Kompakte Bauform, stabile Plattform
Leicht integrierbar
Technische Daten
+
Can-Stack-Schrittmotor
Ø 20 mm (0,79 Zoll), Motor Serie 19000
Schrittwinkel
7,5°
Verdrahtung
Bipolar
Spulenspannung
5 VDC
12 VDC
Stromstärke (RMS) / Phase
350 mA
160 mA
Widerstand/Phase
14,0 Ω
74,5 Ω
Induktivität/Phase
6,24 mH
31,2 mH
Leistungsaufnahme
3.38 W
Isolationsklasse
Klasse B
Gewicht
35 g
Isolationswiderstand
20 MΩ
Load Specifications
+
MiniSlide Load Specifications
Design Payload (mass)
2.3kg [5 lbs]
Axial Force
45N [10 lbf]
Roll Moment*
1.13N-m [10 lbf-in]
Pitch Moment*
1.13N-m [10 lbf-in]
Yaw Moment*
0.56N-m [5 lbf-in]
Repeatability
+/-25µm [0.001 in]
* Moment data based on 0.5° deflection
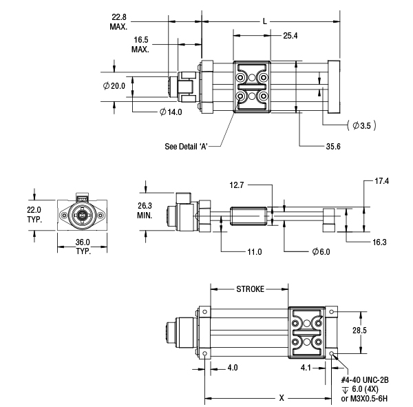
Maßzeichnungen
+
Dimensions
Stroke
Rail Length "L"
Mounting Holes "X"
25mm
69.4mm
62.1mm
50mm
94.4mm
86.5mm
75mm
119.4mm
111.5mm
100mm
144.4mm
136.5mm
Schlitten
+
Leistungskurven
+
Angaben zu Artikelnummern
+
Artikelnummern MSA (motorbetrieben) für Bestellungen
MSA
02
K
—
H
0020
—
XXX
Präfix
Rahmengröße
Beschichtung
*
Motor
Steigungscode
Nenngewinde
*
Eindeutige
Kennung
MSA =
Mini Slide
Actuator
02 =
1/8"
Gewinde
K = TFE Kerkote
C = Can-Stack-
Schrittmotor
G4 19000, 20 mm
0020 =
Steigung
1/2mm
805 =
Hub
50mm
M3
Montage
B = TFE Black Ice
0039 =
Steigung
1mm
810 =
Hub
100mm
M3
Montage
G =
Schmierfett
0079 =
Steigung
2m
905 = Hub 50mm
#4-40 Montage
S =
Kein Schmiermittel
0157 =
Steigung
4mm
910 = Hub 100mm
#4-40 Montage
0315 =
Steigung
8mm
0012 =
Steigung
0.012"
0024 =
Steigung
0.024"
XXX = Unique Identifier **
0048 =
Steigung
0.048"
0096 =
Steigung
0.096"
*
HINWEIS: Teilenummern vollständig mit Bindestrich (–) angeben.
** Unique Identifier can be used to indicate additional options and/or product modifications.
For assistance, call our Engineering Team at +1-203-756-7441.
MacCMS
×