AmetekHaydonKerk AmetekAMS
Skip to content

Verriegelungsschalter

Der VERRIEGELUNGSSCHALTER ist ein stabiler Drucktaster, der in Hochleistungsapplikationen eingesetzt wird. Haydon konstruiert diesen Schalter unter strengen Qualitätsvorgaben bei Verwendung von Materialien mit hoher Toleranz, die selbst in rauen Umgebungen zuverlässige Leistung bieten. Die Schlüsselkomponente dieses Schalters ist der in der Industrie bewährte elektrische Schaltmechanismus, der in einer hochgradig schützenden Baugruppe aus rostfreiem Stahl hermetisch gekapselt ist.

Der Verriegelungsschalter von Haydon hat außerdem eine einzigartige, flexible Konstruktion, das es dem Bediener ermöglicht, den Stößel an eine bestimmte Schaltposition anzupassen. Mit einem 0,3 cm Vorlauf - 1,27 cm Gesamtweg bietet der Verriegelungsschalter Ingenieuren Flexibilität, Spielraum und wünschenswerte mechanische Optionen. Der Verriegelungsschalter von Haydon ist mit verschiedenen Befestigungsmöglichkeiten und einer Vielzahl von Kontaktbelastbarkeiten von 5 Ampere bei 28 V bis 10 Milliampere bei 30 mV erhältlich.

Die Schalter werden unter erschwerten Bedingungen einschließlich Feuchtigkeit, Feuchte, Regen, Vereisung, hoher/niedriger Temperatur, Vibration und Stoßbelastung getestet. Zu den Applikationen gehören schwere Frachtraumtüren, die in Flugzeugen, Wasser- oder Landtransportfahrzeugen und/oder Bereichen der Industrie verwendet werden, die Schaltfunktionen für schwere Türen oder Luken erfordern.

  • Technische Daten +


    Mechanische Eigenschaften - VERRIEGELUNGSSCHALTER

    Maximale Betätigungskraft

    7 Pfund 31,14 N

    Mindestauslösekraft

    1 Pfund 4,45 N

    Vorlauf

    3,18 mm

    Gewicht

    85 g


    Elektrische Eigenschaften - VERRIEGELUNGSSCHALTER

    Elektrische Daten

    28 VDC/115 VAC, 400 Hz

    Ohmsche

    0,25 A

    Spannungsfestigkeit

    1000 V eff auf Meereshöhe für 1 Minute oder 1250 V eff für 1 Sekunde mit maximalem Leckstrom von 0,5 Milliampere. Kann geliefert werden, um 1500 V Effektivspannung mit reduzierter Lebensdauer zu widerstehen.

    Kontaktanordnung

    SPST (Schließer)


    Umwelteigenschaften - VERRIEGELUNGSSCHALTER

    Temperaturbereich

    -54°C bis 121°C

    Stoß

    100 g für 6 ± 1 ms

    Vibration

    10 - 2000 Hz 20 g Spitze

    Umgebungsdruck

    Über Meeresspiegel bis 15 km Höhe


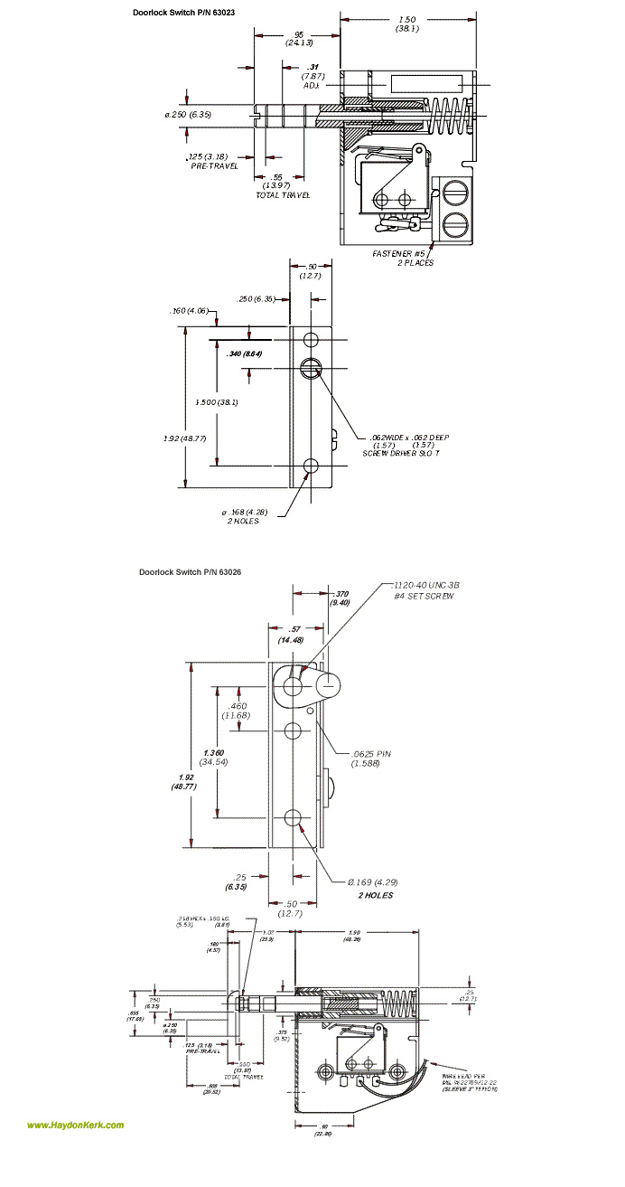
  • Maßzeichnungen +

    Haydon Interlock Switch