AmetekHaydonKerk AmetekAMS
Skip to content

Serie 6100

Haydon_6100_Series_Environmentally_Sealed_Switch
Umgebungsfest gekapselte Schalter der Serie 6100 sind für Applikationen konzipiert, bei denen eine hohe Zuverlässigkeit in einer Umgebung mit hoher oder niedriger Temperatur erforderlich ist. Durch die Kombination aus langer Lebensdauer und präziser Funktion wird dieser Schalter in einer Vielzahl von zivilen und militärischen Luft- und Raumfahrtapplikationen eingesetzt. Diese Schalter können Funktionen wie Anzeigen von Verriegelungen, Fahrwerksposition, Ventilposition und Drosselklappensteuerung ausführen. Zu militärischen Applikationen gehören Bremslichter an Militärfahrzeugen, Schaltpunktanzeigen für Panzer und andere Applikationen, bei denen ein elastisch gekapselter, hochzuverlässiger Schalter erforderlich ist.

Mit einer Elastomerdichtung, die eine hohe Empfindlichkeit und einen niedrigen Betriebsdruck ermöglicht, hat der Schalter eine maximale Leckrate von 1,01x10-6 mbar I/s. Feinsilberkontakte sind Standard und Goldlegierungs- oder Platinkontakte sind ebenfalls erhältlich. Elektrische und mechanische Lebensdauer sind konservativ mit 100.000 Operationen angegeben. Unter unseren umweltfest gekapselten Schaltern der Serie 6100 ist auch ein extrem hochtemperaturbeständiger nicht gekapselter Schalter für einen Temperaturbereich von -54 °C bis +371 °C erhältlich.

Verfügbare Baugruppen

Umweltfest gekapselte Schalter der Serie 6100 sind in einer Vielzahl von Aktuatorbaugruppen erhältlich. Zu den typischen Baugruppen gehören Drucktaster, Kipplamellen-Aktuator, Baugruppen mit Rollenlamelle. HSI kann auch kundenspezifische Baugruppen liefern, um bestimmte betriebliche Anforderungen zu erfüllen.
  • Technische Daten +


    Mechanische Eigenschaften - Umgebungsfest gekapselter Schalter der Serie 6100
    Maximale Betätigungskraft     Zentriertaste 6,12 N Offset-Taste 2,8 N
    Mindestauslösekraft     Zentriertaste 1,67 N Offset-Taste 0,56 N
    Bewegungsdifferenz     0,0127/0,127 mm
    Gewicht   907 g
    Nachlaufstopp     0,1778 mm verfügbar

    Elektrische Eigenschaften - Umgebungsfest gekapselter Schalter der Serie 6100
    Elektrische Daten     28 VDC/115 VAC, 400 Hz
    Ohmsche     5 A
    Induktive     3 A
    Spannungsfestigkeit     1000 V eff auf Meereshöhe für 1 Minute oder 1250 V eff für 1 Sekunde mit maximalem Leckstrom von 0,5 Milliampere. Kann geliefert werden, um 1500 V Effektivspannung mit reduzierter Lebensdauer zu widerstehen.
    Kontaktanordnung     SPDT

    Umwelteigenschaften - Umgebungsfest gekapselter Schalter der Serie 6100
    Temperaturbereich     -650C bis 1490, auf besondere Bestellung bis 204C<1024890C
    Stoß     100 g für 6 ± 1 ms
    Vibration     10 - 2000 Hz 20 g Spitze
    Militärtechnische Daten     MIL-PRF-8805
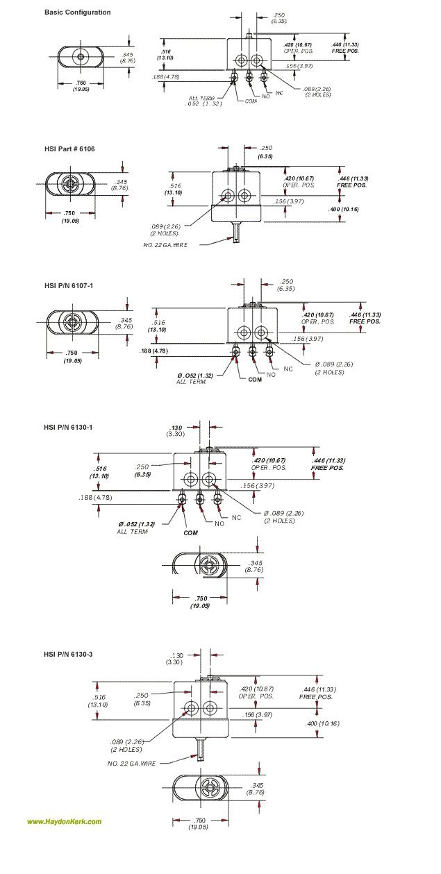
  • Maßzeichnungen +

    Haydon Environmentally Sealed Switch 6100 Series
  • Typische Baugruppen +

    Haydon Environmentally Sealed Switch 6100 Series