AmetekHaydonKerk AmetekAMS
Skip to content

Serie 6700

Haydon_6700_Series_Environmentally_Sealed_Switch

Der umgebungsfest gekapselte Schalter der Serie 6700 ist für eine Million Zyklen ausgelegt. Der 6700 wurde für raue Umgebungsbedingungen mit hohen Zyklen entwickelt. Der Bedarf an Endbegrenzungsschaltern mit hohem Schaltzyklus hat sich vergrößert, da sich Luft- und Raumfahrtsysteme und industrielle Systeme mit manueller Steuerung und Rückkopplung zu computergesteuerten Mechanismen entwickelt haben. Der 6700 erfüllt die hohen Lebensdaueranforderungen moderner computergesteuerter Systeme.

Basierend auf der bewährten Konstruktion des Haydon-Schalters der Serie 6100 kommen beim 6700 Material- und Prozessänderungen zur Geltung, mit denen eine zuverlässige Lebensdauer von 1 Million Schaltzyklen zu erreicht werden. Interne Lamellendicke, Tempern und Oberflächenbehandlung wurden in der neuen Konstruktion optimiert. Das Metallgehäuse und der Schaltstift sind dauerhaft mit einer elastischen Elastomerdichtung verbunden. Dies gewährleistet die Zuverlässigkeit der umgebungsfesten Abdichtung bis 1,01 × 10 -6 mbar I/s. Der Schalter ist für den Betrieb im Milliamperebereich ausgelegt. Die Betriebstemperatur ist -65 °C bis 149 °C.

Verfügbare Baugruppen
Die Schalter der Serie 6700 sind in einer Vielzahl von Aktuatorbaugruppen verfügbar. Typische Baugruppen enthalten Lamellenaktuatoren, Schalterbaugruppen mit Rollenlamelle und Plunger-Aktuatoren. Haydon Kerk Motion Solutions kann auch kundenspezifische Baugruppen liefern, um bestimmte betriebliche Anforderungen zu erfüllen.

  • Technische Daten +


    Mechanische Eigenschaften - Umgebungsfest gekapselter Schalter der Serie 6700

    Maximale Betätigungskraft

    2,8 N

    Mindestauslösekraft

    0,84 N

    Bewegungsdifferenz

    0,0127/0,127 mm

    Gewicht

    weniger Lasten - 0,02 Pfund 0,57 g

    Nachlaufstopp

    0,1778 mm verfügbar


    Elektrische Eigenschaften - Umgebungsfest gekapselter Schalter der Serie 6700

    Elektrische Daten

    28 VDC/115 VAC, 400 Hz

    Ohmsche

    120 Milliampere

    Spannungsfestigkeit

    1000 V eff auf Meereshöhe für 1 Minute oder 1250 V eff für 1 Sekunde mit maximalem Leckstrom von 0,5 Milliampere. Kann geliefert werden, um 1500 V Effektivspannung mit reduzierter Lebensdauer zu widerstehen.


    Umwelteigenschaften - Umgebungsfest gekapselter Schalter der Serie 6700

    Temperaturbereich

    -54 °C bis 204 °C dauerhaft

    Stoß

    100 g für 6 ± 1 ms

    Vibration

    10 - 2000 Hz 20 g Spitze

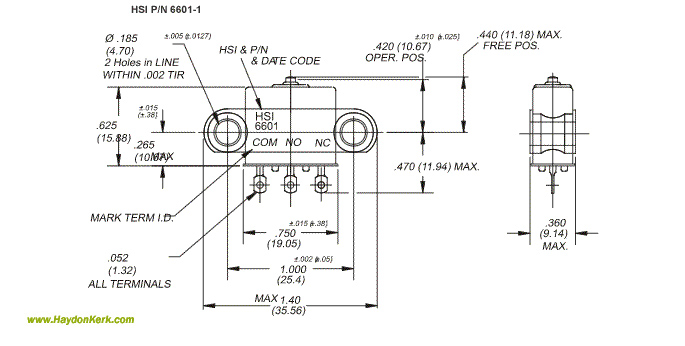
  • Maßzeichnungen +

    Haydon Environmentally Sealed Switch 6700 Series
  • Typische Baugruppen +

    Haydon Environmentally Sealed Switch 6700 Series