AmetekHaydonKerk AmetekAMS
Skip to content

Serie 8100

Haydon 8100 Series High Load Sealed Switch
Zweipolige Basisschalter der Serie 8100 verfügen über eine hohe elektrische Belastbarkeit, extreme Robustheit, genaue Wiederholgenauigkeit und sensitive Betriebseigenschaften. Sie arbeiten zufriedenstellend mit unter 40 g Vibration
  • Technische Daten +


    Mechanische Eigenschaften - Gekapselter Lastschalter der Serie 8100

    Maximale Betätigungskraft

    64 Unzen 17,8 N

    Mindestauslösekraft

    1,68 N

    Bewegungsdifferenz

    0,07/0,38 mm


    Mechanische Eigenschaften - Gekapselter Lastschalter der Serie 8100

    Elektrische Daten

    28 VDC/115VAC, 400 Hz (Bei 60 Hz und bei Gleichspannungen über 28 V bitte HSI anrufen)

    Ohmsche

    28 A

    Induktive

    8 A

    Kontaktabstand

    0,76 mm

    Kontaktanordnung

    DPDT


    Mechanische Eigenschaften - Gekapselter Lastschalter der Serie 8100

    Temperaturbereich

    -54 °C bis 149 °C

    Vibration

    40 g

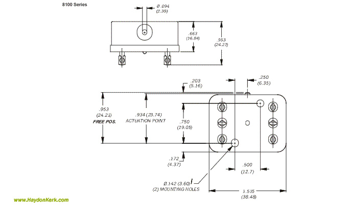
  • Maßzeichnungen +

    Haydon High Electrical Load Switch 8100