AmetekHaydonKerk AmetekAMS
Skip to content

B49A Bremse

B49A Bremse
B49A Bremse

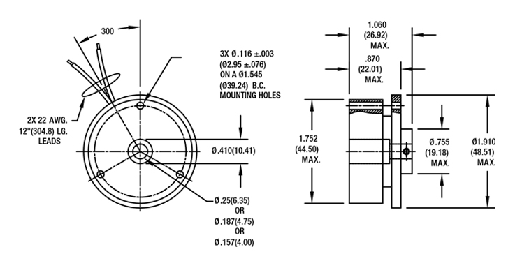
Die ausfallsichere Haltebremse B49A hat die Funktion, bei einer Unterbrechung der Stromversorgung von Motor und Bremse, Lasten sicher zu halten und wird üblicherweise an der Motorrückseite montiert. Diese kompakte 30mm-Bremse hat ein Haltemoment von 3 lb-in. HINWEIS: Die Bremsen sind nur in Kombination mit unseren Motoren erhältlich und nicht einzeln verkäuflich.

– Werkseitig voreingestellter Präzisions-Luftspalt
– Formsteifer Reibbelag
– Hochleistungsdruckfeder
– Quadrat-Treibermutter mit Befestigungsschraube

Kompatible Motoren:
DC040B 
DC054B 
EC057C
ES040A
ES050A 

Montage:
3 Löcher gl. Abst. LK 0,875 in (22,23 mm)

  • Technische Daten +


    Daten Einheiten 12V 24V
    Angelegte Spannung VDC 12 24
    Statisches Haltemoment
    lb-in 3
    Nm 0,339
    Strom A 0,353 0,1901
    Widerstand Ohm 34 132
    Naben- und Scheibenträgheit
    oz-in-sec2 7,0 x10-5
    kg-m2 4,94E-2
    Gewicht oz 3
    g 85

  • Maßzeichnungen +