AmetekHaydonKerk AmetekAMS
Skip to content

Serie 6300

Haydon_6300_Series_Hermetically_Sealed_Switch

Hermetisch dichte Schalter der Serie 6300 sind für hohe Zuverlässigkeit in extremen Umgebungen ausgelegt. Dieser Schalter wird in militärischen und zivilen Flugzeugen und in der Luft- und Raumfahrt einschließlich des Shuttle-Programms der NASA verwendet. Zu den Applikationen gehören Ventilendschalter, Motorstarter, Überdrehzahlschalter, Druckschalter und Schubumkehr-Endschalter.

Das korrosionsbeständige Metallgehäuse hält den meisten Medien stand und ermöglicht das Eintauchen des Schalters in Flüssigkeiten wie synthetische Hydrauliköle und Kerosin. Der Schalter kann in Applikationen verwendet werden, in denen Außendrücke bis 3,4 Atmosphären vorhanden sind. Der Schalter der Serie 6300 verfügt über eine extrem niedrige Leckrate von 1,013x10-8 mbar l/s. Das Schaltergehäuse kann extremen Temperaturen, Drücken und Medien ausgesetzt sein, während der interne Schaltmechanismus in einer verunreinigungsfreien Umgebung aus Inertgas arbeitet.

Je nach Applikation können Kontakte aus Feinsilber, Goldlegierung oder Platin hergestellt werden. Typischerweise werden Silberkontakte bis zu 149 °C und Platinkontakte für bis zu 260 °C verwendet. Goldlegierungen werden für Schwachstrom-Applikationen verwendet, in einem Bereich von 10 Milliampere bei 30 Millivolt bis zu 500 Milliampere bei 30 VDC.
 

Verfügbare Baugruppen
Hermetisch dichte Schalter der Serie 6300 können in einer Vielzahl von Baugruppen betätigt werden. Zu den typischen Baugruppen gehören Drucktaster, Blattfeder, Blattfeder mit Rolle und Kipphebel. Standard-Baugruppen können modifiziert werden, um spezielle Montageanforderungen zu erfüllen. HSI kann auch kundenspezifische Baugruppen entwickeln, um bestimmte Applikationsanforderungen zu erfüllen.
  • Technische Daten +


    Mechanische Eigenschaften - Hermetisch gekapselter Schalter der Serie 6300

    Maximale Betätigungskraft

    7,23 N

    Mindestauslösekraft

    1,67 N

    Bewegungsdifferenz

    0,508 mm

    Gewicht

    9,07 g

    Nachlaufstopp

    0,254 mm verfügbar


    Elektrische Eigenschaften - Hermetisch gekapselter Schalter der Serie 6300

    Elektrische Daten

    28 VDC/115 VAC, 400 Hz

    Ohmsche

    5 A

    Induktive

    3 A

    Spannungsfestigkeit

    1000 V eff auf Meereshöhe für 1 Minute oder 1250 V eff für 1 Sekunde mit maximalem Leckstrom von 0,5 Milliampere. Kann geliefert werden, um 1500 V Effektivspannung mit reduzierter Lebensdauer zu widerstehen.

    Kontaktanordnung

    SPDT


    Umwelteigenschaften - Hermetisch gekapselter Schalter der Serie 6300

    Temperaturbereich

    -65 °C bis 149 °C
    -65 °C bis 260 °C / -196 °C* spezielle Bestellung

    Stoß

    100 g für 6 ± 1 ms

    Vibration

    10 - 2000 Hz 20 g Spitze (50 g auf besondere Bestellung)

    Umgebungsdruck

    Hochvakuum (negativ) bis 50 PSI (positive) 3,4 Atmosphären

    Militärtechnische Daten

    MIL-PRF-8805

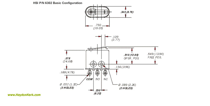
  • Maßzeichnungen +

    Haydon Hermeticall Sealed Switch 6300 Series
  • Typische Baugruppen +

    Haydon Hermetically Sealed Switch 6300 Series