AmetekHaydonKerk AmetekAMS
Skip to content

Größe 23, 57 mm Double-Stack

Size 23 Double Stack Stepper Motor Linear Actuator
Der Double-Stack der Größe 23 von Haydon Kerk Motion Solutions ist ein Linearaktuator mit 57 mm Schrittmotor.  Die Linearaktuatoren der Größe 23 aus der Serie 57000 sind in drei Ausführungen erhältlich: Captive, Non-Captive und Externe lineare Ausführungen.  Erhältlich in verschiedenen Auflösungen von 0,0127 mm bis 0,127 mm pro Schritt.  Der Linearaktuator mit Schrittmotor der Größe 23 liefert eine Kraft von bis zu 890 N.  Typische Applikationen sind medizinische Geräte, Handling von Halbleitern, Ventilsteuerung, Kreuztische, Handgeräte oder überall dort, wo präzise lineare Bewegungen erforderlich sind.
  • Technische Daten +


    Artikelnr. Captive 57M4(X)-V
    Non-Captive 57L4(X)-V
    Extern Lin. E57M4(X)-V
    Verkabelung Einheiten Bipolar
    Schrittwinkel
    Grad
    1,8°
    Wicklungsspannung VDC 3,25 5 12
    Strom/Phase A eff 3,85 2,5 1
    Widerstand/Phase Ohm (?) 0,98 2 12
    Induktivität/Phase mH 2,3 7,6 35
    Leistungsaufnahme Watt 25
    Rotorträgheitsmoment gcm2 332
    Isolationsklasse Klasse B (Klasse F verfügbar)
    Gewicht g 958
    Isolationsfestigkeit M(?) 20
    Standardmotoren sind Klasse B für eine maximale Temperatur von 130 °C (155 °C für Klasse F)

    Linearer Vorschub/Schritt
    Spindel Ø Zoll mm Code-ID
    9,53 mm 0,0005 0,0127 3
    0,001 0,0254 1
    0,002 0,0508 2
    0,0025 0,0635 Y
    0,005 0,127  Z
    * Werte abgeschnitten
  • Maßzeichnungen +


    Bitte beachten Sie: Metriknummern dienen nur als Referenz.


    CAPTIVE SCHRITTMOTOR

    Linearaktuator mit Captive Gewindespindel der Größe 23 aus der Double-Stack-Serie 57000

       

      




    Non-Captive SCHRITTMOTOR

    Non-Captive Linearaktuator der Größe 23 aus der Double-Stack-Serie 57000
       

     





    EXTERNER SCHRITTMOTOR

    Externer Linearaktuator der Größe 23 aus der Double-Stack-Serie 57000

     
     

  • Leistungskurven +


    KRAFT ALS FUNKTION DER IMPULSFREQUENZ
    Chopper, Bipolar, 100% Arbeitszyklus, Gewindespindel Ø 9,53

    Sz 23 DS Linear Actuator Pulse Rate

    KRAFT ALS FUNKTION DER LINEARGESCHWINDIGKEIT
    Chopper, Bipolar, 100% Arbeitszyklus, Gewindespindel Ø 9,53

    Size 23 DS Linear Actuator Linear Velocity

    HINWEIS:  Alle Chopper-Antriebskurven wurden mit einem 5-Volt-Motor und einer 75-Volt-Stromversorgung erstellt.

    Hoch- und Runterfahren können die Leistung eines Motors erhöhen, indem entweder die Höchstdrehzahl erhöht wird oder eine größere Last beschleunigt wird.  Außerdem kann die Verzögerung verwendet werden, um den Motor ohne Übersteuerung anzuhalten.

    Bei L/R-Antrieben werden die Spitzenkraft und die Drehzahlen reduziert, bei Verwendung eines unipolaren Antriebs wird eine weitere Reduzierung der Kraft um 30 % erreicht.
  • Schmiermitteloptionen +


    Hervorragende Gleitfette von Haydon®

    Haydon bietet eine große Auswahl an Schmierfetten, die für jede Applikation geeignet sind.  Bitte wenden Sie sich an Haydon Kerk Motion Solutions, um Unterstützung bei der Auswahl der effektivsten Schmieroption zu erhalten.

    Schmiermitteltyp Chemische Kompatibilität Temp. Bereich Kommentare Kosten
    HSS-17 Synthetischer Kohlenwasserstoff Gut -20 °C to +125 °C Standard $
    HSS-06 Perfluorpolyether Am besten -65 °C to +250 °C Raue Umgebungen $$
    HSS-16 Perfluorpolyether Am besten -80 °C to +204 °C Vakuumtauglich $$$
    HSS-20 Perfluorpolyether Am besten -65 °C to +250 °C Hohe Wiederholgenauigkeit $$$

    HSS-17

    ist ein mittelviskoses synthetisches Kohlenwasserstofffett, das mit Lithiumseife verdickt ist.  Es ist verstärkt mit EP-Modifikatoren (für Extremdruck), um die Tragfähigkeit zu erhöhen und TFE, um die Schmierfähigkeit zu erhöhen und die Reibung zu reduzieren.  Die Nenntemperatur beträgt -20 °C bis + 125 °C. HSS-17 hat die höchsten Belastungseigenschaften.

    HSS-06

    ist ein mit TFE verdicktes Perfluorpolyether-Fett von dickflüssiger Viskosität.  Es ist für den Betrieb in chemisch rauen Umgebungen ausgelegt und bietet hervorragende Betriebseigenschaften für leichte bis mittlere Lasten.  Die Temperaturbelastbarkeit beträgt -65 °C bis +250 °C. Standard bei Hybridaktuatoren.

    HSS-16

    ist ein Perfluorpolyether-Fett, das zur Verwendung in Vakuumumgebungen mit einem Durchmesser von 4 × 10 -13 Torr bei 20 °C entwickelt wurde. Die Temperaturbelastbarkeit beträgt -80 °C bis + 204 °C.

    HSS-20

    ist eine ultrafiltrierte Version von HSS-06, was bedeutet, dass das Fett einen „Reinigungsprozess“ durchläuft, um Partikel mit einer Größe von mehr als 35 Mikron zu entfernen.  Dies ist für den Einsatz konzipiert, wenn es auf Genauigkeit und Wiederholgenauigkeit ankommt.

    TFE-Beschichtungen Black Ice® und Kerkote® 

    Abhängig von dem verwendeten Mutterpolymer sind TFE-Beschichtungen Black Ice und Kerkote in einigen unserer Aktuatorkonstruktionen erhältlich.  Bitte wenden Sie sich an die Mitarbeiter der Applikationstechnik, um die Verträglichkeit von Gewindespindel-Mutter und TFE-Beschichtung zu besprechen.  

     
  • Drehgeber +


    Alle linearen Hybrid-Aktuatoren von Haydon sind mit einem speziell entwickelten Drehgeber für Applikationen erhältlich, die eine Rückmeldung benötigen. Der kompakte optische Inkrementalgeber ist mit zweikanaligen Quadratur-TTL-Rechteckausgängen erhältlich. Ein optionaler Index ist auch als dritter Kanal verfügbar. Der Drehgeber der Größe 8 bietet Auflösungen für Applikationen, die 250 und 300 Impulse pro Umdrehung erfordern.  Der Drehgeber der Größe 11, 14 und 17 bietet Auflösungen für Applikationen, die 200, 400 und 1.000 Impulse pro Umdrehung erfordern.  Der Drehgeber der Größen 23 und 34 wird für Auflösungen von 200, 400, 1.000 und 2.000 Impulsen pro Umdrehung angeboten. Drehgeber sind für alle Motorkonfigurationen verfügbar - Captive, Non-Captive und extern linear.

    Einfachheit und niedrige Kosten machen die Drehgeber ideal für Antriebssteuerungen mit hohem und niedrigem Volumen. Das interne monolithische Elektronikmodul wandelt den Spindelwinkel in Echtzeit, die Drehzahl und die Richtung in TTL-kompatible Ausgangssignale um. Das Drehgeber-Modul enthält eine mit einer Linse versehene LED-Lichtquelle und eine monolithische Photodetektor-Anordnung mit einer Signalformungselektronik, um die zweikanaligen prellfreien TTL-Ausgangssignale zu erzeugen.

    Elektrische Daten


    Minimum
    Typisch
    Maximum
    Einheiten
    Eingangsspannung
    4,5 5,0 5,5 VDC
    Ausgangssignale
    4,5 5,0 5,5 VDC
    • 2-Kanal-Quadratur-TTL-Rechteckausgänge
    • Kanal B führt A für eine Drehung des Rotors im Uhrzeigersinn, von der Drehgeberabdeckung aus gesehen
    • Verfolgt bei Drehzahlen von 0 bis 100.000 Zyklen/Sek.
    • Optionaler Index verfügbar als dritter Kanal (ein Impuls pro Umdrehung).


    Drehgeber der Größe 23 mit „Single Ended“ Pinbelegung

    Stecker Pin-Nr.
    Beschreibung
    1 Masse
    2 Index (optional)
    3 Kanal A
    4 +5 VDC Stromversorgung
    5 Kanal B


    Drehgeber der Größe 23 mit „Differential Ended“ Pinbelegung

    Stecker Pin-Nr.
    Beschreibung
    1 Masse
    2 Masse
    3 - Index
    4 + Index
    5 Kanal A -
    6 Kanal A +
    7 +5 VDC Stromversorgung
    8 +5 VDC Stromversorgung
    9 Kanal B -
    10 Kanal B +


    Betriebstemperatur

    Minimum
    Maximum
    -40 °C
    100 °C


    Mechanischen Daten


    Maximum
    Beschleunigung 250,000 rad/sec2
    Vibration (5 Hz to 2 kHz)
    20 g


    Auflösung
    4 Standard-Zyklen pro Umdrehung (CPR) oder Impulse pro Umdrehung (PPR)

    CPR 
    200
    400* 1000 2000
    PPR
    800 
    1600* 
    4000 
    8000 
    * Index-Impulskanal nicht verfügbar.

    Andere sind verfügbar

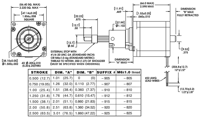
    Maßzeichnung des Drehgebers
    Abmessungen = mm

    57 mm Serie 57000 Größe 23
    Size 23 Linear Actuator Encoder


    Hinweis A: Die Gewindespindel erstreckt sich bei bestimmten Captive und Non-Captive Motoren über den Drehgeber hinaus. Externe lineare Wellenverlängerung ist auf Anfrage erhältlich.

    Bitte beachten Sie: Metriknummern dienen nur als Referenz.
  • Ausgangspositionsschalter und Näherungssensor +


     Ausgangspositionsschalter
    Haydon bietet einen elektronischen Miniatur-Hall-Effekt-Sensor, der die Endposition von Can-Stack- und Captive Linearen Hybrid-Aktuatoren überwachen kann. Der Ausgangspositionsschalter wird an der hinteren Buchse der Captive Linearmotoren von Haydon montiert. Dadurch kann der Benutzer Start-, Stopp- oder Ruhepositionen des Aktuators identifizieren. Je nach Vorliebe können die Kontakte normalerweise geöffnet oder normalerweise geschlossen sein. Das Schließen der Kontakte ist innerhalb einer Schrittposition wiederholbar und ermöglicht so kleine lineare Bewegungen wie 0,0013 cm pro Schritt. Es sind auch Mehrfachkontaktschalter verfügbar. Der Schalter ermöglicht Geräteherstellern die Möglichkeit, Bewegungen genauer zu überwachen, um eine bessere Steuerung und eine verbesserte Qualitätsüberwachung um erzielen. Bei Bestellung von Motoren mit Ausgangspositionsschalter muss der Teilenummer ein „S“ vorangestellt werden. Wenden Sie sich bitte an Haydon Kerk Motion Solutions für zusätzliche Bestellinformationen. Da eine Betätigungskraft von 283 g erforderlich ist, ist der Schalter möglicherweise nicht für kleinere Can-Stack-Aktuatoren geeignet.

    Technische Daten:

    Kontaktbelastbarkeit (Standard): 1,00 A bei 120 VAC
    1,00 A bei 28 VDC
    Betriebstemperatur: -30 °C bis +55 °C
    Kontaktwiderstand: <20 Milliohm bei 2-4 V DC, 100 mA
    Elektrische Lebensdauer: Getestet auf 60.000 Schließzyklen bei Volllast
    Schaltbild:
    Home Switch
    Mehrfachkontaktschalter verfügbar
     Näherungssensor für Hubende
    Haydon bietet einen Hall-Effekt-Sensor, der die Endposition von Can-Stack- und Linearen Hybrid-Aktuatoren überwachen kann. Der Sensor verfügt über ein Hall-Effekt-Element, das durch einen Seltenerdmagnet am Ende der inneren Spindel aktiviert wird. Die kompakte Größe des Sensors ermöglicht die Installation in Applikationen mit begrenztem Platzangebot. Der Sensor hat praktisch unbegrenzte Lebensdauer. Spezielle Kabel und Anschlüsse können zur Verfügung gestellt werden. Der Näherungssensor für Hubende von Haydon und alle Produkte von Haydon Kerk Motion Solutions werden von einem Technikerteam unterstützt, das umfassenden Kundendienst und Applikationsunterstützung bietet.

    Technische Daten:

    Versorgungsspannung (VDC): 3,8 min. bis 24 max.
    Stromaufnahme: 10 mA max.
    Ausgangsspannung (bei Betrieb) 0,15 typ., 0,40 max.; Sink-Strom 20 mA max.
    Ausgangsstrom 20 mA max.
    Ausgangsleckstrom (freigegeben) 10 µA max. bei Vaus = 24 VDC; Vcc = 24 VDC
    Ausgangsschaltzeit
    Steigend, 10 bis 90%: 0,05 µs typ., 1,5 µs max. bei Vcc = 12 V, RL = 1,6 KOhm Fallend, 90 bis 10%: 0,15 µs typ., 1,5 µs max. bei CL = 20 pF
    Temperatur -40 bis 150 °C
     Vorgeschlagenes Schnittstellendiagramm
    Hinweis: Sensor gehört zur Kategorie 2 ESD-empfindlich gemäß DOD-STD-1686A. Montagearbeiten sollten an Arbeitsplätzen mit leitfähigen Oberteilen und geerdeten Personen durchgeführt werden.

    BITTE BEACHTEN SIE, DASS EIN PULLUP-WIDERSTAND NOTWENDIG IST, DAMIT DER SENSOR RICHTIG FUNKTIONIERT.
    Bitte beachten Sie: Metriknummern dienen nur als Referenz.
  • Schaltplan und Schrittfolge +


    Hybrid Wiring
    Schrittfolge - Hybrid-Linearaktuator

    Bipolar Q2-Q3 Q1-Q4 Q6-Q7 Q5-Q8
    Unipolar Q1 Q2 Q3 Q4
    Schritt . . . .
    1 AN AUS AN AUS
    2 AUS AN AN AUS
    3 AUS AN AUS AN
    4 AN AUS AUS AN
    1 AN AUS AN AUS
  • Teilenummer-Anleitung +


    Size 23 DS Linear Actuator PN Guide