Alle linearen Hybrid-Aktuatoren von Haydon sind mit einem speziell entwickelten Drehgeber für Applikationen erhältlich, die eine Rückmeldung benötigen. Der kompakte optische Inkrementalgeber ist mit zweikanaligen Quadratur-TTL-Rechteckausgängen erhältlich. Ein optionaler Index ist auch als dritter Kanal verfügbar. Der Drehgeber der Größe 8 bietet Auflösungen für Applikationen, die 250 und 300 Impulse pro Umdrehung erfordern. Der Drehgeber der Größe 11, 14 und 17 bietet Auflösungen für Applikationen, die 200, 400 und 1.000 Impulse pro Umdrehung erfordern. Der Drehgeber der Größen 23 und 34 wird für Auflösungen von 200, 400, 1.000 und 2.000 Impulsen pro Umdrehung angeboten. Drehgeber sind für alle Motorkonfigurationen verfügbar - Captive, Non-Captive und extern linear.
Einfachheit und niedrige Kosten machen die Drehgeber ideal für Antriebssteuerungen mit hohem und niedrigem Volumen. Das interne monolithische Elektronikmodul wandelt den Spindelwinkel in Echtzeit, die Drehzahl und die Richtung in TTL-kompatible Ausgangssignale um. Das Drehgeber-Modul enthält eine mit einer Linse versehene LED-Lichtquelle und eine monolithische Photodetektor-Anordnung mit einer Signalformungselektronik, um die zweikanaligen prellfreien TTL-Ausgangssignale zu erzeugen.
Elektrische Daten
|
Minimum
|
Typisch
|
Maximum
|
Einheiten
|
Eingangsspannung
|
4,5 |
5,0 |
5,5 |
VDC |
Ausgangssignale
|
4,5 |
5,0 |
5,5 |
VDC |
- 2-Kanal-Quadratur-TTL-Rechteckausgänge
- Kanal B führt A für eine Drehung des Rotors im Uhrzeigersinn, von der Drehgeberabdeckung aus gesehen
- Verfolgt bei Drehzahlen von 0 bis 100.000 Zyklen/Sek.
- Optionaler Index verfügbar als dritter Kanal (ein Impuls pro Umdrehung).
Drehgeber der Größe 14 mit „Single Ended“ Pinbelegung
Stecker Pin-Nr.
|
Beschreibung
|
| 1 |
Masse
|
| 2 |
Index (optional)
|
| 3 |
Kanal A
|
| 4 |
+5 VDC Stromversorgung
|
| 5 |
Kanal B
|
Drehgeber der Größe 14 mit „Differential Ended“ Pinbelegung
Stecker Pin-Nr.
|
Beschreibung
|
| 1 |
Masse |
| 2 |
Masse |
| 3 |
- Index |
| 4 |
+ Index |
| 5 |
Kanal A -
|
| 6 |
Kanal A +
|
| 7 |
+5 VDC Stromversorgung
|
| 8 |
+5 VDC Stromversorgung
|
| 9 |
Kanal B - |
| 10 |
Kanal B +
|
Betriebstemperatur
Minimum
|
Maximum |
-40 °C
|
100 °C
|
Mechanischen Daten
|
Maximum |
| Beschleunigung |
250,000 rad/sec2
|
Vibration (5 Hz to 2 kHz)
|
20 g |
Auflösung
4 Standard-Zyklen pro Umdrehung (CPR) oder Impulse pro Umdrehung (PPR)
CPR
|
200
|
400 |
1000* |
PPR
|
800
|
1600
|
4000* |
* Index-Impulskanal nicht verfügbar.
Andere sind verfügbar
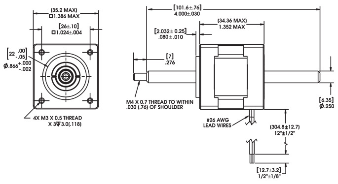
Maßzeichnung des Drehgebers
Abmessungen = mm
30 mm Serie 35000 Größe 14

Hinweis A: Die Gewindespindel erstreckt sich bei bestimmten Captive und Non-Captive Motoren über den Drehgeber hinaus. Externe lineare Wellenverlängerung ist auf Anfrage erhältlich.
Bitte beachten Sie: Metriknummern dienen nur als Referenz.